Static Var Generator Facts Equipment

Customization: Available
Type: Power
Structure: Protection

Product Description

Basic Information
Model NO.
DR-SVG
Certification
ISO9001:2000
Form
All-packaged Type
Operation Voltage
High Voltage
Application Range
Power Plants
Shell Material
Aluminum Alloy
Protection Grade
IP20
Production Capacity
10000/Month
Origin
China
Transport Package
Box
Product Overview
💡
Static Var Generator (SVG) is a core member of FACTS equipment. Utilizing a dual digital signal processor (DSP) core, it connects a self-commutated bridge circuit in parallel to the power grid through a reactor. By adopting real-time data acquisition and dynamic tracking, it continuously monitors grid voltage and current.

The system quickly and continuously compensates for reactive power, significantly improving power quality at the connection point. It helps overcome three-phase imbalance, eliminates voltage flicker, and suppresses harmonic pollution.

Main Technical Parameters
Item No. Parameter Name Specifications
01Working VoltageAC400V±20%
02Working Frequency50Hz±5Hz
03Device Capacity30kvar, 50kvar, 75kvar, 100kvar
04Response Time≤5ms
05Single Machine Efficiency≥97%
06Main Circuit StructureThree-phase four-wire
07Circuit TopologyThree-level structure
08Display InterfaceExternal LCD screen
09Display StatusData display
10OperationManual start, automatic start
11CommunicationRS485, Modbus protocol
12Ambient Temperature-25°C to 55°C
13Storage Temperature-30°C to 70°C
14Relative HumidityMax 95%, no condensation
15AltitudeUp to 1500 meters
16Heat DissipationRequires ventilation/fans in cabinet
17Working ModeReactive power, harmonic, and unbalance compensation
18Harmonic Filtering2nd to 13th harmonics, THD ≤ 5%
Selection & Configuration
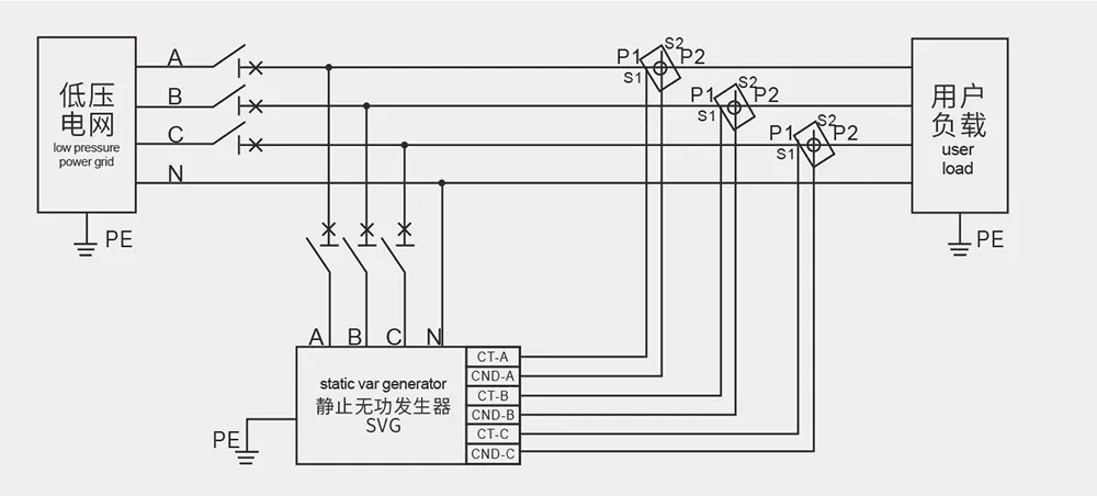
Compatible with three-phase systems: 380V, 660V, 1140V, 3000V, and 10kV.
Standard current specs: 25A to 2500A. Multiple units can be used in parallel (recommended ≤ 10 units).
Supports both three-phase three-wire and three-phase four-wire systems.
Configurable with Current Transformers (3 pieces) based on site requirements.
Optional remote monitoring via power quality analysis software and monitoring host.
Frequently Asked Questions
Q1: What are the main functions of the DR-SVG?
The DR-SVG performs reactive power compensation, harmonic compensation, three-phase load unbalance compensation, and capacitor switching control simultaneously.
Q2: How fast is the response time of this generator?
The device features an ultra-fast response time of ≤5ms, allowing for near-instantaneous correction of power quality issues.
Q3: What voltage levels does the system support?
It can be used in three-phase systems with five standard voltage levels: 380V, 660V, 1140V, 3000V, and 10kV.
Q4: Can I use multiple SVG units together?
Yes, multiple units can be used in parallel. However, for optimal performance, it is recommended to limit the parallel connection to no more than 10 units.
Q5: What harmonics can the device filter out?
The device can filter out the 2nd to 13th harmonics. Users can also select specific order compensation within this range.
Q6: What is the energy efficiency of a single machine?
The single machine efficiency is rated at ≥97%, ensuring minimal energy loss during operation.

Related Products